Apakah Sistem Elektrolitik Desorpsi dan Mengapa Ia Penting untuk Pengekstrakan Emas Moden

2026-04-21 - Tinggalkan saya mesej

TheSistem Elektrolitik Desorpsiialah teknologi penting dalam pengekstrakan emas moden, terutamanya dalam proses karbon-dalam-pulpa (CIP) dan karbon-dalam-lesap (CIL). Blog ini meneroka cara sistem berfungsi, komponennya, kelebihan, dan mengapa ia telah menjadi standard dalam pemulihan emas yang cekap. Kami juga menyerlahkan cara syarikat sukaEPICsedang memacu inovasi dalam bidang ini. Pada akhirnya, anda akan mempunyai pemahaman yang komprehensif tentang cara sistem ini meningkatkan produktiviti, mengurangkan kos dan meningkatkan kadar pemulihan.

Desorption Electrolytic System

Jadual Kandungan


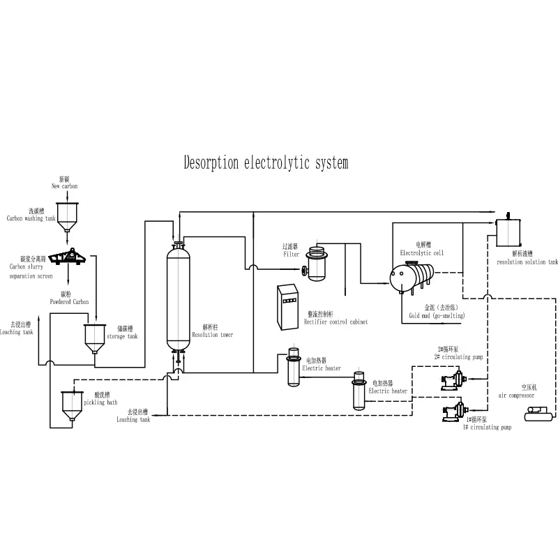
Apakah Sistem Elektrolitik Desorpsi

A Sistem Elektrolitik Desorpsiialah sistem pemulihan emas termaju yang digunakan untuk mengekstrak emas daripada karbon teraktif. Ia digunakan secara meluas dalam operasi perlombongan di mana emas diserap ke dalam zarah karbon semasa proses larut lesap.

  • Desorpsi: Mengeluarkan emas daripada karbon menggunakan larutan suhu tinggi dan tekanan tinggi
  • Elektrolisis: Memulihkan emas daripada larutan ke katod
  • Sistem gelung tertutup: Memastikan kecekapan dan kerugian yang minimum

Sistem ini penting untuk meningkatkan kecekapan pemulihan dan mengurangkan kos operasi, menjadikannya komponen teras dalam loji pemprosesan emas moden.


Bagaimana Sistem Elektrolitik Desorpsi Berfungsi

Prinsip kerja aSistem Elektrolitik Desorpsimelibatkan dua peringkat utama:

  1. Peringkat Desorpsi:Karbon bermuatan emas dirawat dengan larutan sianida beralkali panas, membebaskan ion emas.
  2. Peringkat Elektrolisis:Larutan yang kaya dengan emas melalui sel elektrolitik di mana emas mendapan pada katod bulu keluli.

Proses ini memastikan kecekapan tinggi dan membolehkan operasi berterusan, itulah sebabnya sistem daripada syarikat sukaEPICditerima pakai secara meluas dalam aplikasi industri.


Komponen Utama Sistem

Komponen Fungsi
Lajur Desorpsi Memegang karbon teraktif dan memudahkan penyingkiran emas
Sel Elektrolitik Memulihkan emas melalui elektrolisis
Penukar Haba Mengekalkan suhu yang diperlukan
Sistem Penapis Mengeluarkan kekotoran daripada larutan
Sistem Kawalan Mengautomasikan operasi dan memantau parameter

Setiap komponen memainkan peranan penting dalam memastikan sistem beroperasi dengan cekap dan konsisten.


Kelebihan dan Ciri Teknikal

  • Kadar pemulihan emas yang tinggi (sehingga 98%)
  • Penggunaan tenaga yang rendah
  • Operasi automatik untuk mengurangkan kos buruh
  • Reka bentuk padat untuk kecekapan ruang
  • Mesra alam dengan pelepasan minimum

Pengilang sukaEPICmengoptimumkan sistem ini secara berterusan untuk memenuhi permintaan industri yang berkembang, memastikan prestasi dan kebolehpercayaan yang lebih baik.


Aplikasi dalam Pemprosesan Emas

TheSistem Elektrolitik Desorpsidigunakan secara meluas dalam:

  • Loji perlombongan emas
  • Operasi CIP (Carbon-in-Pulp).
  • Proses CIL (Carbon-in-Leach).
  • Pemulihan tailing emas

Fleksibiliti menjadikannya sesuai untuk perlombongan industri berskala besar dan operasi yang lebih kecil yang mencari peningkatan kecekapan.


Perbandingan dengan Kaedah Tradisional

Ciri Sistem Elektrolitik Desorpsi Kaedah Tradisional
Kecekapan tinggi Sederhana
Automasi Automatik sepenuhnya Manual atau separa automatik
kos Kos jangka panjang yang lebih rendah Kos operasi yang lebih tinggi
Kesan Alam Sekitar rendah Lebih tinggi

Jelas sekali, sistem moden memberikan kelebihan yang ketara berbanding teknik pemulihan emas tradisional.


Panduan Pemilihan untuk Pembeli

Apabila memilih aSistem Elektrolitik Desorpsi, pertimbangkan faktor berikut:

  • Kapasiti pemprosesan
  • Tahap automasi
  • Kecekapan tenaga
  • Reputasi pengilang (cth., EPIC)
  • Sokongan selepas jualan

Memilih sistem yang betul memastikan kejayaan operasi jangka panjang dan pulangan pelaburan yang maksimum.


Petua Penyelenggaraan dan Operasi

  • Periksa saluran paip dan injap secara kerap
  • Pantau tahap suhu dan tekanan
  • Bersihkan sel elektrolitik secara berkala
  • Gantikan komponen yang haus dengan segera
  • Ikuti garis panduan pengilang dengan ketat

Penyelenggaraan yang betul memanjangkan jangka hayat sistem dengan ketara dan memastikan prestasi yang konsisten.


Soalan Lazim

1. Apakah tujuan utama Sistem Elektrolitik Desorpsi?

Tujuan utamanya adalah untuk mengekstrak dan mendapatkan semula emas daripada karbon teraktif dengan cekap.

2. Sejauh manakah kecekapan sistem tersebut?

Kebanyakan sistem mencapai kadar pemulihan emas melebihi 95%, bergantung pada keadaan operasi.

3. Adakah sistem ini mesra alam?

Ya, sistem moden direka untuk meminimumkan pelepasan dan mengurangkan sisa kimia.

4. Bolehkah ia disesuaikan?

Ya, syarikat seperti EPIC menawarkan penyelesaian yang boleh disesuaikan berdasarkan keperluan pemprosesan.

5. Apakah industri yang menggunakan sistem ini?

Terutamanya industri perlombongan emas, tetapi juga dalam aplikasi pemulihan logam berharga.


Kesimpulan

TheSistem Elektrolitik Desorpsimewakili satu kejayaan dalam teknologi pemulihan emas, menawarkan kecekapan, kebolehpercayaan dan prestasi alam sekitar yang tiada tandingan. Dengan kemajuan berterusan daripada pemimpin industri sepertiEPIC, sistem ini menjadi semakin penting untuk operasi perlombongan moden. Jika anda ingin mengoptimumkan proses pengekstrakan emas anda dan meningkatkan keuntungan, melabur dalam sistem berkualiti tinggi adalah pilihan yang bijak.Hubungi kamihari ini untuk mengetahui lebih lanjut tentang cara kami boleh menyediakan penyelesaian yang disesuaikan untuk keperluan anda.

Hantar Pertanyaan

X
Kami menggunakan kuki untuk menawarkan anda pengalaman menyemak imbas yang lebih baik, menganalisis trafik tapak dan memperibadikan kandungan. Dengan menggunakan tapak ini, anda bersetuju dengan penggunaan kuki kami. Dasar Privasi