Sistem elektrolitik desorpsi
  • Sistem elektrolitik desorpsi Sistem elektrolitik desorpsi

Sistem elektrolitik desorpsi

Sebagai salah satu pengeluar profesional, Epic ingin memberikan anda sistem elektrolitik desorpsi berkualiti tinggi. Dan kami akan menawarkan perkhidmatan selepas jualan terbaik dan penghantaran tepat pada masanya.

Hantar Pertanyaan

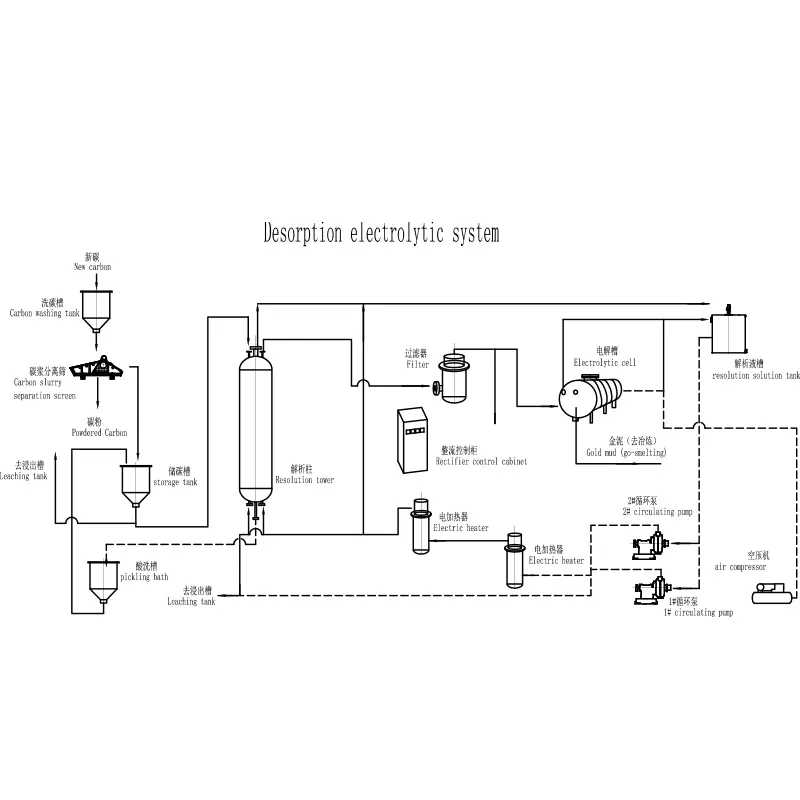
Penerangan Produk

Sebagai pengeluar yang mahir, Epic bertujuan untuk menawarkan anda sistem elektrolitik desorpsi terkemuka. Kami berjanji untuk memberi anda sokongan selepas jualan terbaik dan penghantaran segera. Dalam menambah lebih mudah oleh sistem penyerapan penyerapan karbon aktif anion, oleh itu penggantian Au (Cn) 2 ", merealisasikan penyerapan emas.

1, suhu tinggi, tekanan tinggi, tiada sianida, kawalan automatik desorpsi, dengan kefasihan yang tinggi, penggunaan busur, cepat

Ciri -ciri: 

Kecekapan A.High: Apabila gred karbon yang dimuatkan oleh emas mencapai 3000 g/t, kadar desorpsi dapat mencapai lebih dari 96%, dan gred karbon miskin dapat ditarik balik sebanyak 3-4 kali berbanding dengan elektrolisis desorpsi konvensional

Peranti:

b.fast: suhu elektrolisis desorpsi boleh setinggi 150 ℃ (30-55 ℃ lebih tinggi daripada model lain) tekanan kerja sehingga 0.5MPa (0.2-0.5mpa lebih tinggi daripada model lain), jadi masa elektrolisis desorpsi sangat cepat, umumnya 12 jam, 

3 kali: Penggunaan C.Low: Suhu elektrolitik desorpsi adalah sama, tiada pemindahan haba, kerana kerja cepat, jadi jumlah penggunaan kuasa adalah 1/2-1/4 dari sistem konvensional.

2. Tiada sianida: Penyelesaian desorpsi tidak perlu menambah sianida sianida, kos rendah, tiada pencemaran:

3, lumpur emas gred tinggi, tidak perlu membalikkan elektrolisis, pengekstrakan mudah;

4, Kawalan Automatik: Khususnya menetapkan sistem kawalan tahap cecair, sistem kawalan suhu dan sistem kawalan automatik;

5, Keselamatan: Dengan langkah -langkah perlindungan keselamatan tiga, iaitu sistem itu sendiri yang bijak, autoratik tekanan mengehadkan mekanisme pelepasan tekanan, injap keselamatan insurans.

Teg Panas: Sistem elektrolitik desorpsi
Hantar Pertanyaan
Sila berasa bebas untuk memberikan pertanyaan anda dalam borang di bawah. Kami akan membalas anda dalam masa 24 jam.
X
Kami menggunakan kuki untuk menawarkan anda pengalaman menyemak imbas yang lebih baik, menganalisis trafik tapak dan memperibadikan kandungan. Dengan menggunakan tapak ini, anda bersetuju dengan penggunaan kuki kami. Dasar Privasi