Bagaimanakah Peralatan Cyaniding Meningkatkan Pemulihan Emas dan Keselamatan Tapak?

2026-01-08 - Tinggalkan saya mesej

Jika anda pernah merasakan seperti sianidasi adalah "berkesan, tetapi memberi tekanan," anda tidak membayangkannya. Kimia berfungsi—namun realiti sehari-hari boleh menjadi kucar-kacir: bijih berubah-ubah, lebihan perbelanjaan reagen, kehilangan karbon, masa henti yang tidak dijangka dan tekanan berterusan untuk beroperasi dengan selamat dan konsisten. Artikel ini memecahkan apaPeralatan Cyanidingsebenarnya harus dilakukan untuk anda, perkara yang perlu ditanya sebelum anda membeli, dan bagaimana untuk mengelakkan kesilapan yang paling mahal.


Abstrak

modenPeralatan Cyanidingbukan sekadar satu set tangki—ia adalah sistem bersambung yang direka untuk mengawal keadaan larut lesap, menstabilkan pemulihan, mengurangkan sisa reagen dan memastikan pengendalian sianida boleh diramal. Pembeli biasanya bergelut dengan empat titik kesakitan: pemulihan yang tidak konsisten, kos operasi yang tinggi, kawalan keselamatan yang lemah dan sakit kepala penyelenggaraan. Di bawah, anda akan mendapat paparan praktikal, lantai tumbuhan bagi modul cyaniding (pencairan, penjerapan, penyahsorpsi/pemenang elektrik, detoks dan instrumentasi), matriks pemilihan, petua pentauliahan dan bahagian Soalan Lazim yang boleh anda gunakan semasa perbualan pembekal.


Jadual Kandungan


Garis Besar Sepintas Lalu

  • Terjemahkan "Saya perlukan sianidasi" ke dalam skop peralatan yang lengkap dan boleh dikawal.
  • Kenal pasti modul mana yang mendorong kerugian anda (pemulihan, reagen, karbon atau masa henti).
  • Gunakan matriks mudah untuk membandingkan penyelesaian untuk jenis bijih dan kekangan anda.
  • Masuk ke mesyuarat pembekal dengan senarai semak yang mendedahkan reka bentuk yang lemah dengan cepat.

Mata Sakit Pembeli Sebenar

Apabila orang membeli-belah untukPeralatan Cyaniding, mereka sering berkata "Saya memerlukan pemulihan yang lebih tinggi." Perkara yang biasanya mereka maksudkan ialah: "Saya memerlukan pemulihan yang kekal tinggi walaupun bijih berubah, pengendali berputar dan tapak berada jauh." Berikut adalah titik kesakitan yang muncul berulang kali:

  • Ayunan pemulihandisebabkan oleh kebolehubahan bijih, isu pengisaran, had oksigen atau kawalan pH yang lemah.
  • Rayapan kos reagendaripada dos berlebihan sianida atau kapur "hanya untuk selamat."
  • Masalah karbonseperti kekotoran, kehilangan pergeseran, atau kinetik penjerapan yang lemah.
  • Masa hentidaripada kegagalan pam/injap, haus buburan yang melelas atau susun atur yang sukar diakses.
  • Tekanan keselamatansekitar penyimpanan sianida, dos, dan kesediaan tindak balas kecemasan.

Reka bentuk peralatan yang baik tidak menghilangkan semua kerumitan, tetapi ia harus mengalih keluar tekaan.


Apa yang Termasuk "Peralatan Sianida".

Cyaniding Equipment

Sekurang-kurangnya,Peralatan Cyanidingharus difahami sebagai sistem yang menyokong fungsi ini:

  • larut lesap: menyediakan masa, pencampuran, dan kawalan kimia untuk pembubaran.
  • Tangkapan emas: penjerapan pada karbon teraktif (CIP/CIL) atau laluan pemendakan.
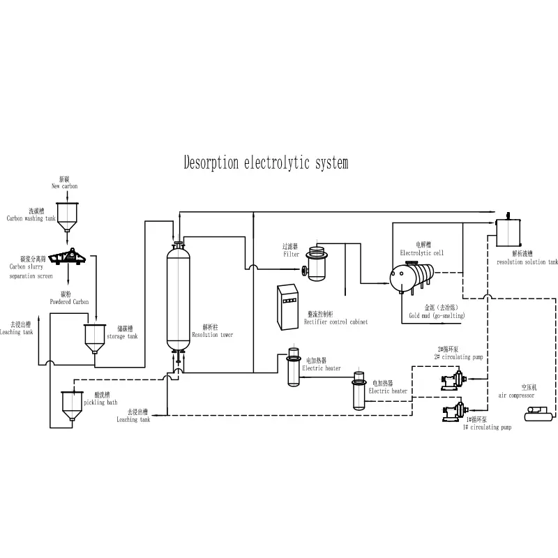
  • Pemulihan emas: desorpsi dan electrowinning (atau litar pemulihan alternatif).
  • Pengendalian detoks dan tailing: mengurangkan sisa sianida ke tahap yang boleh diterima.
  • Instrumentasi dan kawalan: mengukur dan menstabilkan pH, oksigen terlarut, aliran, dan dos.

Jika pembekal hanya bercakap tentang "tangki", tolak mereka untuk menentukan keseluruhan aliran dan titik kawalan. Sianidasi adalah memaafkan dalam keadaan makmal; ia tidak memaafkan dalam keadaan medan yang huru-hara.


Peta Proses yang Jelas dari Ore ke Doré

Walaupun setiap tumbuhan berbeza, kebanyakan laluan sianidasi mengikut tulang belakang yang boleh dikenali. Gunakan peta ini untuk menyemak kewarasan sama ada pakej yang dicadangkan telah lengkap:

pentas Apa yang Mesti Dicapai Risiko "Tersembunyi" biasa
Pra-rawatan (mengikut keperluan) Jadikan emas boleh diakses dan elakkan lonjakan penggunaan sianida Mengabaikan prag-rompak, kuprum tinggi, atau sulfida reaktif
larut lesap Pencampuran yang stabil, pH terkawal, dan oksigen yang mencukupi Zon mati, pemindahan oksigen yang lemah, pH tidak menentu daripada sistem kapur yang lemah
Penjerapan (CIL/CIP) Tangkap emas terlarut dengan cekap Saiz karbon/kaedah pemindahan yang salah; kehilangan karbon
Elusi / Desorpsi Tanggalkan emas daripada karbon dengan pasti Pemanasan/aliran yang tidak konsisten membawa kepada kecekapan pelucutan yang rendah
Electrowinning / Peleburan Pulih dan hasilkan doré Sel bersaiz kecil, pengurusan elektrolit yang lemah, isu pengendalian enap cemar
Detoks Kurangkan sisa sianida sebelum discharge/tailing Reka bentuk tidak sepadan dengan kebolehubahan pemprosesan atau kimia tailing

Modul Utama dan Perkara yang Perlu Disemak

1) Tangki larut lesap dan pengadukan

  • Adakah reka bentuk pencampuran sesuai untuk ketumpatan dan kekasaran buburan anda?
  • Bolehkah sistem mengekalkan pH yang stabil di bawah kebolehubahan bijih?
  • Adakah penambahan oksigen praktikal di tapak anda (dan adakah pemindahan oksigen dipertimbangkan dalam reka bentuk)?
  • Adakah susun atur membenarkan pemeriksaan mudah pendesak, pelapik dan galas?

2) Penjerapan dan pemindahan karbon

  • Adakah skrin antara pentas cukup teguh untuk menghalang pemindahan karbon?
  • Adakah pemindahan karbon direka bentuk untuk mengurangkan kerosakan dan kehilangan?
  • Adakah reka bentuk mesra pembersihan dan kawalan inventori karbon?

3) Desorpsi dan electrowinning

  • Adakah litar elusi sepadan dengan jangkaan pemuatan karbon anda?
  • Adakah kawalan pemanasan dan aliran stabil (bukan "bergantung kepada pengendali")?
  • Adakah pengendalian enap cemar dirancang, bukan dibuat secara improvisasi?

4) Dos dan pengukuran sianida

  • Adakah dos automatik dengan saling kunci, atau manual semata-mata?
  • Apakah rancangan untuk penentukuran dan penyelenggaraan penderia dalam persekitaran lombong sebenar?
  • Adakah titik pensampelan selamat dan berada pada kedudukan yang baik, atau suatu pemikiran yang baru?

5) Detoks

  • Adakah reka bentuk detoks berdasarkan sasaran pelepasan dan kimia tailing anda?
  • Bolehkah ia mengendalikan lonjakan jangka pendek tanpa memaksa penutupan?

Petua praktikal:Cadangan yang kelihatan lebih murah di atas kertas sering mendorong kos ke dalam operasi—sianida tambahan, kapur tambahan, buruh penyelenggaraan tambahan dan lebih banyak gelagat pengendali yang "heroik". Bil sampai kemudian.


Asas Saiz dan Spesifikasi

Anda tidak perlu menjadi ahli metalurgi untuk bertanya soalan saiz yang melindungi belanjawan anda. UntukPeralatan Cyaniding, logik saiz teras berkisar pada daya pemprosesan, masa kediaman dan pemindahan jisim. Sebelum menerima sebarang reka bentuk akhir, pastikan input ini dinyatakan dengan jelas:

  • Kapasiti reka bentuk(purata dan puncak, ditambah dengan kebolehubahan bermusim yang dijangkakan).
  • Saiz kisar sasarandan apa yang berlaku jika kilang hanyut lebih kasar.
  • Leach masa kediamandan sama ada ia berdasarkan ujian atau andaian.
  • pelan pH dan kealkalian(termasuk penyediaan kapur dan kestabilan dos).
  • Strategi oksigen(udara, oksigen, atau tiada) dan kesan yang dijangkakan pada kinetik.
  • Inventori karbon(berapa banyak karbon, di mana ia berada, dan cara ia dipantau).

Jika pembekal tidak dapat menerangkannya dalam bahasa mudah, anggap ia sebagai isyarat risiko—bukan teknikal.


Keselamatan dan Kawalan Sianida Yang Sebenarnya Bertahan

Keselamatan bukan poster di dinding. Dengan sianidasi, ia terbina dalam reka bentuk fizikal dan kawalan rutin. kuatPeralatan Cyanidingpakej biasanya termasuk:

  • Penyimpanan dan pemindahan yang terkandungdengan laluan tumpahan yang jelas dan logik pengikat.
  • Dos saling berkuncijadi sianida tidak boleh ditambah apabila syarat utama tidak dipenuhi.
  • Reka bentuk persampelan yang jelasyang mengurangkan risiko pendedahan semasa pemeriksaan rutin.
  • Kesediaan kecemasansebagai sebahagian daripada set prosedur operasi, bukan dokumen tambahan.

Dari perspektif pembeli, tugas anda adalah mudah: memaksa cadangan untuk menunjukkan dengan tepat cara orang berinteraksi dengan sistem. Di manakah mereka berdiri? Apa yang mereka sentuh? Bagaimanakah mereka mengasingkan peralatan? Bagaimanakah mereka bertindak balas terhadap kegagalan pengedap pam pada pukul 2 pagi?


Dari Mana Kos Operasi Sebenar Berasal

Jika kos setiap auns anda semakin meningkat, ia biasanya bukan satu kegagalan dramatik—ia adalah kebocoran kecil dalam sistem yang terkompaun. Dalam sianidasi, pemacu kos yang paling biasa ialah:

  • Penggunaan sianidadidorong oleh mineral reaktif, tabiat dos berlebihan, atau gelung kawalan yang lemah.
  • Penggunaan kapurapabila kawalan pH tidak stabil atau kimia buburan tidak difahami dengan baik.
  • Kehilangan karbonmelalui pergeseran, isu skrin atau reka bentuk pemindahan yang lemah.
  • Kuasa dan penyelenggaraandaripada pergolakan yang berlebihan, bahagian haus yang tidak direka bentuk dan reka letak yang sukar diservis.
simptom Kemungkinan Punca Punca Ciri Peralatan Yang Membantu
Pemulihan menurun apabila bijih berubah ketidakstabilan pH/DO; pencampuran yang lemah; masa tinggal yang tidak mencukupi Pergolakan yang teguh, instrumentasi kawalan yang lebih baik, kapasiti tangki yang fleksibel
Perbelanjaan sianida terus meningkat Terlebih dos; mineral yang memakan sianida yang tinggi; pengukuran yang lemah Dos terkawal, titik pensampelan yang boleh dipercayai, jalinan yang lebih bijak
Inventori karbon "secara misteri" mengecut Kegagalan skrin; kerugian pemindahan; pergeseran Skrin interstage tahan lama, reka bentuk pemindahan lembut, perakaunan karbon jelas
Penutupan yang kerap Pakai alat ganti, pengedap pam, masalah akses Bahan tahan haus, akses penyelenggaraan, alat ganti standard

Kebolehpercayaan dan Reka Bentuk Penyelenggaraan

Cyaniding Equipment

Litar sianidasi boleh kelihatan "lengkap" dan masih tidak boleh dipercayai jika penyelenggaraan tidak direka bentuk. Tanya bagaimana pendekatan pembekal:

  • Pemilihan bahanuntuk zon buburan yang melelas dan zon sentuhan sianida.
  • Akseskepada skrin, pendesak, pelapik, pam dan instrumentasi.
  • Strategi alat gantiyang sepadan dengan realiti tapak anda (masa utama, logistik, stok).
  • Penyeragamanuntuk mengurangkan bilangan item pakaian yang unik.

Dalam operasi jauh, "mudah diselenggara" boleh bernilai lebih daripada "sedikit lebih cekap di atas kertas."


Soalan Pembekal Yang Perlu Anda Tanya

Gunakan senarai semak ini dalam mesyuarat. Ia direka bentuk untuk mengemukakan cadangan yang lemah dengan cepat—tanpa mengubah perbualan menjadi perdebatan.

  • Risiko bijih yang manakah diandaikan, dan yang mana secara aktif direkayasa?
  • Apakah input reka bentuk untuk masa kediaman, julat pH dan strategi oksigen?
  • Bagaimanakah dos sianida dikawal, dan apa yang berlaku semasa kegagalan sensor?
  • Bagaimanakah kehilangan karbon dicegah dan diukur dalam operasi rutin?
  • Apakah pelan akses penyelenggaraan untuk skrin, pengaduk dan pam?
  • Apakah semakan pengendali yang disyorkan setiap syif, dan bagaimana ia dibuat selamat?
  • Apakah sokongan pentauliahan yang disertakan, dan apakah latihan pengendali yang disediakan?

Jika anda menilai vendor, anda boleh bercakap dengan pengeluar yang boleh membekalkan pakej sianidasi penuh dan menyokong butiran penyepaduan. Sebagai contoh, Qingdao EPIC Mining Machinery Co.,Ltd.menyediakan penyelesaian peralatan pemprosesan perlombongan di mana pakej sianidasi dianggap sebagai sistem—pencairan, penjerapan, pemulihan dan kawalan—dan bukannya set tangki yang terputus.


Soalan Lazim

Apakah yang menjadikan Peralatan Cyaniding "moden" dan bukannya asas?

Reka bentuk moden memberi tumpuan kepada kebolehkawalan dan kebolehulangan: dos yang stabil, pengukuran yang boleh dipercayai, pensampelan yang lebih selamat, perlindungan haus yang teguh dan susun atur yang mengurangkan penambahbaikan operator. Matlamatnya ialah pemulihan yang konsisten dengan kurang sisa reagen dan lebih sedikit penutupan.

Bolehkah Peralatan Cyaniding mengendalikan bijih gred rendah secara ekonomi?

Ia boleh, tetapi hanya apabila litar direka bentuk sekitar kinetik dan profil penggunaan anda. Operasi gred rendah cenderung sensitif terhadap perbelanjaan berlebihan dan masa henti reagen, jadi sistem kawalan, reka bentuk haus dan pengurusan karbon menjadi sangat penting.

Bagaimanakah saya tahu jika saya memerlukan CIP atau CIL?

Pilihan biasanya bergantung pada kinetik larut lesap dan berapa cepat emas terlarut harus ditangkap. Jika emas larut dengan cepat dan anda mahu tangkapan segera, CIL boleh menjadi menarik. Jika larut lesap mendapat manfaat daripada pengasingan sebelum penjerapan, CIP mungkin lebih sesuai. Ujian metalurgi dan kekangan tapak praktikal harus mendorong keputusan.

Mengapakah penggunaan sianida kadangkala melonjak secara tiba-tiba?

Punca biasa termasuk perubahan mineral bijih, kawalan pH yang lemah, had oksigen yang tidak dijangka, atau pencemaran dalam air proses. Pelan kawalan yang baik serta titik pensampelan yang boleh dipercayai menjadikan pancang ini lebih mudah untuk didiagnosis dan diperbetulkan dengan cepat.

Apakah yang perlu saya utamakan jika tapak saya jauh dan kekurangan kakitangan?

Utamakan kebolehselenggaraan dan automasi yang mengurangkan pengendalian manual: skrin tahan lasak, susun atur peralatan yang boleh diakses, alat ganti standard, dos saling terkunci dan rutin operasi yang jelas yang tidak bergantung pada "satu operator pakar."


Bungkus

MembeliPeralatan Cyanidingakhirnya adalah mengenai mengurangkan ketidakpastian. Kimia mungkin terbukti, tetapi keuntungan anda bergantung pada kawalan yang konsisten, penyelenggaraan praktikal dan keselamatan yang berfungsi pada perubahan sebenar dengan orang sebenar. Jika anda merancang kilang baharu atau menaik taraf litar sedia ada, bawa realiti bijih anda, sasaran pemprosesan dan kekangan tapak ke jadual—dan teguhkan cadangan yang menganggap sianidasi sebagai sistem yang lengkap dan boleh dikawal.

Bersedia untuk menukar pelan sianidasi anda menjadi operasi yang boleh dipercayai dan stabil kos?Kongsi jenis bijih anda, kapasiti sasaran dan keadaan tapak, danhubungi kamiuntuk membincangkan konfigurasi peralatan praktikal yang sesuai dengan loji anda dan pengendali anda.

Hantar Pertanyaan

X
Kami menggunakan kuki untuk menawarkan anda pengalaman menyemak imbas yang lebih baik, menganalisis trafik tapak dan memperibadikan kandungan. Dengan menggunakan tapak ini, anda bersetuju dengan penggunaan kuki kami. Dasar Privasi